
OBS: 1-) Espessura da arruela sob a cabeça: para DN 3/4″ e menores = 0,381 a 0,635mm, e para DN maiores que 3/4″ = 0,381 a 0,889mm.
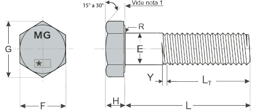
2-) ROSCAS: especificar – UNC/UNF/8UN/BSW/BSF

OBS: 1-) Espessura da arruela sob a cabeça: para DN 3/4″ e menores = 0,381 a 0,635mm, e para DN maiores que 3/4″ = 0,381 a 0,889mm.
2-) ROSCAS: especificar – UNC/UNF/8UN/BSW/BSF