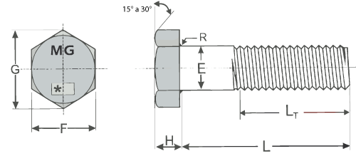
Parafusos Sextavados ASTM-A307 Grau AMG Parafusos Ltda2025-10-29T16:25:24+00:00 REFERÊNCIA ASME B18.2.1 – 1996 (Tabela 2) Outros Modelos Outros Produtos OBS: ROSCAS: Quando não especificado, usar – UNC-2A, para todos os diâmetros.