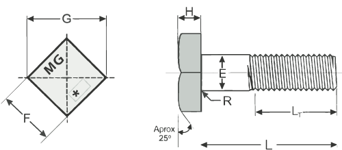
Parafuso de Cabeça Quadrada – Série PolegadaMG Parafusos Ltda2025-10-29T16:25:15+00:00 REFERÊNCIA ASME B18.2.1 – 1996 (Tabela 1) Outros Modelos Outros Produtos OBS: ROSCAS: Especificar – UNC/UNF/8UN/BSW/BSF.