
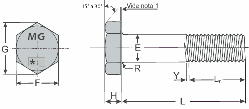
NOTAS: 1-) Espessura da Arruela sob a cabeça: para DN 3/4″ e menores = 0,381 a 0,635mm e para DN maiores que 3/4″=0,381 a 0,889mm.
2-) Roscas: quando não especificado, usar: – UNC – 2A, para todos os diâmetros

NOTAS: 1-) Espessura da Arruela sob a cabeça: para DN 3/4″ e menores = 0,381 a 0,635mm e para DN maiores que 3/4″=0,381 a 0,889mm.
2-) Roscas: quando não especificado, usar: – UNC – 2A, para todos os diâmetros