
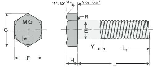
NOTAS: 1-) Espessura da Arruela sob a cabeça: para DN 3/4″ e menores = 0,381 a 0,635 mm e para DN maiores que 3/4″=0,381 a 0,889.
2-) Roscas: quando não especificado, usar: para O 1″ e menores – UNC- 2A, para O 1.1/8″ e maiores – 8UN-2A

NOTAS: 1-) Espessura da Arruela sob a cabeça: para DN 3/4″ e menores = 0,381 a 0,635 mm e para DN maiores que 3/4″=0,381 a 0,889.
2-) Roscas: quando não especificado, usar: para O 1″ e menores – UNC- 2A, para O 1.1/8″ e maiores – 8UN-2A