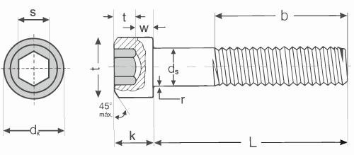
Parafuso de Cabeça Cilíndrica com Sextavado Interno – Série Metrica


REFERÊNCIA:
DIN 912 – 12.83

Parafuso-de-Cabeça-Cilíndrica-com-Sextavado-Interno-–-Série-Metrica 2

Tolerância para comprimento “l”. js 15, vide tabela de ajustes – ISO.