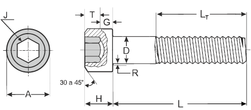
Parafuso de Cabeça Cilíndrica com Sextavado Interno – Série Polegada


REFERÊNCIA:
ASME B18.3 – 2003
(Tabela 1A)

Parafuso-de-Cabeça-Cilíndrica-com-Sextavado-Interno-–-Série-Polegada 3

OBS: ROSCAS: quando não especificado, usar – até O 1″ – UNC-3A e para O 1.1/8″ e maiores – UNC-2A